2021年6月20日掲載 Microsoft Edge 印刷:拡大150%にて16ページ       (あなたはカウンター 番目のお客様です)
東亜天文学会機関誌『天界』2022年3,4,8,9月号 2023年7月号掲載

高校物理で探検するコマのワンダーランド
これならわかる地球の歳差運動
<地球ゴマで読み解く歳差運動>

                            東亜天文学会  江頭 務
はじめに
 地球は公転面の法線に対して23.4°傾いた地軸を対称軸とした少し扁平な回転楕円体である。
そのため、太陽や月が地球に及ぼす万有引力は、それらから遠い部分より近い部分では強く、
その結果、膨らんだ赤道部分に働く起潮力により地球の自転軸を起そうとする遇力を生じる。
この遇力によってもたらされるのが地球の歳差運動である。
歳差運動の向きは自転の向きと逆であり、その周期は約26000年である。
地球の歳差運動は古代の天文現象に関心をよせる天文ファンにとって必須の課題であろう。
歳差運動は理論的には剛体の回転運動におけるオイラーの運動方程式にて説明されるが、
かなり抽象的で難解である。
数式から得られる解も、エネルギーと角運動量の保存則を前提としたものがほとんどである。
しかしながら、コマの回転運動に見られるように我々の目にする回転運動は
それらの増減を伴ったものが一般的である。
 本稿は、難解な数式を使うことなく歳差運動をジャイロ効果の視点から実験的に明らかに
する中で、高校物理の範疇で地球の歳差運動を理解できるように構成したものである。
尚、ここでは検討のベースとして実質的な章動の伴わない高速回転する
コマの歳差運動(これをここでは定常歳差運動と呼ぶ)を対象とする。
詳細な歳差運動の理論については末尾の参考文献を参照されたい。

Ⅰ コマのアナロジー

1 回転運動の運動方程式

 剛体の回転運動の運動方程式はdL/dt=N (1式)である。
ここで左辺のLはコマの回転の角運動量で、Nは力のモーメントである。
角運動量Lは位置ベクトルrと運動量p=mvとの外積r×pとして定義される。
従ってdL/dt=d(r×mv)/dt=dr/dt×mv+r×dmv/dt=v×mv+r×dmv/dt=r×F=N(2式)となる。
上式においてv×mv=0で、dmv/dtはニュートンの運動方程式の力Fである。
これから、軸性ベクトルである力のモーメントNが
角運動量ベクトルLの時間変位の速度ベクトルNに変換されたことがわかる。
初学者にとって紛らわしいのは、異なった物理概念であるモーメントと速度が
Nとして数式上同列に扱われることであろう。
そこで本稿では原則としてモーメントNはMtとして、速度ベクトルはNとして
役割分担させることとした。よって、MtはもちろんMt=r×F(3式)である。

2 ジャイロ効果
 地球の歳差運動の検討を進めるにあたり、常道に従いまずコマの歳差運動から始めよう。
ここではその基礎となるジャイロ効果を説明する。
    図1はその解説図で、高速で左回転するコマを示している。
ωは回転の角速度、Oは支点である。
Fは力のベクトル、Vは速度のベクトルを示す。
(注)ジャイロ効果は一般にトルクにて説明されるが、
   初学者にはわかりにくい。
   ここではそれをモーメントに変換して簡明を期した。
図1ジャイロ効果の解説図  

今、コマの回転軸の先端にコマの回転軸に直交する入力Fを加えると、
回転していないコマにおいては当然のことながら入力Fの向きにコマは倒れる。
ところが、高速で回転しているコマにおいては、入力Fから90°ずれた出力Vの向きに
コマは倒れる。それはあたかも力Fの向きが90°転換されたように見える。
これが90°ルールとも呼ばれるジャイロ効果である。(末尾の補注参照)
図2はジャイロ効果をさらに詳しく説明したもので、
左図はコマの回転軸を上から見た図、右図はその側面図である。
尚、図1のFとVは、図2においては回転運動に変換するために、
回転半径rを導入してモーメントMtと角速度Ωとした。

矢印は図1の力Fと速度Vのベクトルの向きを示す。

   (注)モーメントMt、角速度Ωの向きは下記の
   ように位置ベクトルrを介して外積の形で
   表される。
     Mt=r×F(3式) V=Ω×r(4式)
   本稿では軸性ベクトルの演算を除いて、
   イメージしやすいように
   力Fと速度Vのベクトルの向きを
   「モーメントの向き」「角速度の向き」と
   して表した。
 
  図2ジャイロ効果(左回転のコマ)

ここで、ジャイロ効果をコマの回転軸にかかるモーメントMtを角速度Ωに変える
変換装置と見なそう。
本稿では北極側から見た地球の自転に合わせ、断りのない限り
軸の回転は上から支点側を見て左回転とする。
図2において、コマの回転、入力モーメントの向きのいずれかを反転させると
出力される角速度の向きも反転する。また、両方反転させると元にもどる。
今、コマの先端を下方に引っ張り、左図のようにモーメントを加えるとする。
しかしコマの先端はモーメントを加えた向きには動かないで、コマの先端は右手に移動する。
出力される角速度は入力モーメントからコマの軸の回転の向きに90°回転したところ、
右手に出力される。図2右図は、その様子を側面から見たものである。
出力される角速度の向きは、紙面の裏から表となる。
これは、コマの回転軸を入力モーメントの向きに回した時の右ネジの法則に他ならない。

3 コマの歳差運動
 コマを高速で回転させて水平面上に少し傾けて置くと、
回転軸は一定の角速度で、鉛直軸と一定の角度を保ちながら旋回する。
この運動を歳差運動という。
歳差運動はコマの高速回転が前提条件となるが、具体的な回転数は
コマの形状と質量によって異なる。
後ほど実験に使用する地球ゴマでは、コマが安定的に歳差運動を起こすのは
約30回転/秒であった。
回転部が同形状のコマではコマの重心位置が高いほど高速回転が要求される。
 今、図3のように、コマの回転軸が水平面に接する点を座標原点Oとし、
鉛直線の上向きにz軸をとる。
rはコマの支点Oからコマの重心Gまでの位置ベクトルである。
そこで質量mのコマが、その回転軸をz軸(鉛直軸)と傾斜角θを保ちながら
歳差運動しているとする。
   


 図3 コマの歳差運動 
角運動量ベクトルLの速度ベクトルNの向きは、
右ネジの法則によりr軸(コマの回転軸)とz軸(重力の方向)がなす平面に直交し、
図3の歳差運動の角速度Ωに示すように紙面の表から裏となる。
理論的には速度ベクトルNによって移動するのは角運動量ベクトルLであって、
コマの軸である位置ベクトルrではない。
(注)角運動量ベクトルLは、r軸とz軸がなす平面にあり、
   コマの自転運動と歳差運動の合成となる。
   そのため、図3で言えばLの傾きはコマの軸のθよりもわずかに小さくなる。

しかしながら、コマの自転の角速度が歳差運動の角速度に比べてきわめて大きい場合には、
角運動量ベクトルLの方向をコマの回転軸rの方向に近づけることができる。
角運動量ベクトルLの方向をコマの回転軸rに一致させると
回転運動の諸式が驚くほど簡略化されると共に、
目に見えない計算上の産物である角運動量ベクトルが可視化される。
そのため、以後、角運動量ベクトル=コマの回転軸として検討を進める。
ここまではわかりやすい。
問題は、コマがなぜ図3のような円運動(歳差運動Ω)をするのかであろう。
図4は、コマの歳差運動を上から見た図である。

  A,Bはコマの軸の先端を表している。
Oはz軸(鉛直軸)が貫いている位置で、
OA,OBはコマの軸の先端からz軸に下した垂線である。
z軸、コマの軸r、入力モーメントMtの力のベクトルは
同一面内にある。
 図4 コマの歳差運動を上から見た図

モーメントの大きさMtは、地球の重力加速度をgとして
Mt=mgrsinθ=r×mg=r×F(5式)である。
A点におけるコマの入力モーメントMtは、図4に示すようにコマを外側に倒す向き、
図3で言えばθを大きくする向きに作用する。
ところが、ジャイロ効果により図4の半径方向にはコマの移動がないから、
z軸とコマの距離O-Aは一定に保たれる。
一方、速度ベクトルNの向きは円の接線方向となる。
この関係は、コマがA点からB点に移動した時にも常に保たれ、
この連続性によりコマの先端は円運動をすることになる。
 次に、dL/dt=Nから歳差運動の角速度Ωを求めて見よう。
コマの角運動量ベクトルLは図5に示すようにNの速度でz軸のまわりを
半径Lsinθで円運動することがわかる。
これを円運動のω×r=vに対応させるならば、
ωはΩ、rはLの腕の長さLsinθ、vはLの移動速度Nとなる。
歳差運動の角速度をΩとすると、微小時間dtのあいだの角運動量Lの変化は
dL=LsinθΩdtである。
またdL/dt=NからdL=Ndtである。
これらからΩ=N/Lsinθが求められるが、
これは単に速度Nを角速度Ωに換算したにすぎない。
速度NをモーメントMtに置き換えることにより、新たな物理的な意味が生まれる。
即ち、Ω=Mt/Lsinθ=Mt/Iωsinθ=mgr/Iω=mgr/L(6式)が導かれる。
また上式は外積にてΩ×L=Mt(7式)と表せる。
Ω=mgr/Iωから、歳差運動の角速度Ωは質量mと重心の位置rに比例し、
慣性モーメントIとコマの角速度ωに反比例することがわかる。
またコマの回転軸の傾斜角θとは無関係であることもわかる。


図5 半径Lの球面における角運動量ベクトルLの移動

最後に、角運動量ベクトルの動きから図3のコマの回転軸の先端の移動速度Vを求めてみよう。
即ち、コマの軸の方向は角運動量ベクトルLと重なっているので、
コマの軸の全長をℓとした時の移動速度Vは
V=Ωℓsinθ=( Mt/Lsinθ)ℓsinθ=Mt(ℓ/L)(8式)となる。
上式の最後のMt(ℓ/L)は面白い結果になった。

4 モーメントと歳差運動の向き
 Ω=mgr/L(6式)を見ると、コマの歳差運動の角速度Ωには
重力加速度gが関与していることがわかる。
ここでgを小さくしていったらどうなるであろうか。
月における重力加速度は地球の約1/6であるから、Ωも地球の約1/6となる。
そして、g=0の時Ωも0となり、歳差運動は停止する。
つまり、無重力の宇宙船の中ではコマの歳差運動は起こらないことになる。
この状態を地上で実現したものにマクスウェルのコマがある。
マクスウェルのコマは支点と重心の位置を一致させた構造になっている。
作り方は、京都市青少年科学センター のサイトを参考にされたい。
製作費用はほとんどかからない。
さらにgを負にしたらどうなるであろうか。
Ωは負となりコマの歳差運動はこれまでの逆となることが予想できる。
図6は重心と支点の関係を三種類のコマで示したものである。

  コマA     コマB     コマC
図6 三種類のコマの比較 
   モーメントMt・重心☆・支点△の位置と歳差運動の関係

図6の支点を重心の下に置いたコマAは、
通常のコマと同じで歳差運動はコマの回転の向きと同じになる。
支点を重心に置いたコマBはマクスウェルのコマで歳差運動は停止。
さらにその上に置いたコマCでは歳差運動はコマの回転の向きの逆になることが確認できる。
ここで、重心にかかる重力の作用をモーメントとして検討しよう。
図6に即して言えば、支点が重心の下にある場合、
モーメントはコマの軸が倒れる向きに作用するのに対し、
支点が重心の上にある場合、コマの軸は立ち上がる向きに作用することがわかる。
モーメントMtは軸を倒そうとする向き、
図3においてθが増大する向きを正、その逆を負と定めると、
歳差運動の角速度はΩ=Mt/Lsinθ=Mt/Iωsinθ(6式)のように一般化される。
地球の歳差運動は、月や太陽の起潮力による偶力が
地軸を立てようとすることから起こると説明される。
このことは、上記のMtを負にすることであり、
地球の歳差運動は地球の自転の向きと反対の右回転になることがわかる。
公転運動等の重心自体の運動を除去すれば、
地球の重心は黄道面に拘束されていると見なすことができる。
それは宇宙空間における地球の支点となり、θは黄道傾斜角となる。
表1にコマのモーメントの向きと歳差運動の向きをまとめとして示す。

表1 コマのモーメントの向きと歳差運動の向き
モーメントMtの向き    軸を倒す向き   モーメントMt=0  軸を立てる向き
 コマの回転の向き  左回転  右回転   左回転  右回転 左回転 右回転
 歳差運動の向き  左回転  右回転   ―   ― 右回転 左回転
 事例  一般のコマ  マクスウェルのコマ   地球  ―

5 ジャイロ効果の静力学的解釈

 ここでは図2を一般化して静力学的に解釈しよう。図7はその概念図である。
図中、出力角速度ΩKは図5の支点Oから見た
コマの軸の角速度ΩK=N/L=Mt/L(9式)を採用して一般化した。
尚、コマの軸が右回転の時はΩKの方向は上式から反転するが、
MtとMgの向きの関係は変わらない。
    Mt:入力モーメント(Mt=Fr)
 Ω
K:出力角速度(ΩK=Mt/L)
  Mg:ジャイロモーメント(Mg=-Mt) 
図7ジャイロ効果の静力学的解釈
 (注)図7における右手・左手とは人の足を支点、
    頭をコマの先端に合わせた時のコマの先端を起点とした向きを示す。

定常歳差運動においては、モーメントは釣り合っているから、
Mt入力(重力)モーメントを打消すMgのモーメントが必要となる。
モーメントMgは角運動量ベクトルが移動する向きの左手に発生する。
Mgは角運動量ベクトルが移動する際に発生する反作用と見なされる。
これはジャイロモーメントと呼ばれるものである。
これを数式で表せばMg=-Mt=L×Ω (10式)となる。
図7をわかりやすく解説するならば次のようになる。
「コマの軸にモーメントをかけるとコマは右手に移動する。
またコマの軸が移動すると左手にジャイロモーメントが生じ、入力モーメントに対抗する」
尚、ジャイロモーメントMgについては、次項の地球ゴマを使った実験で確認する。
以上のような解釈を適用すれば、次のようなポピュラーな問題にも簡潔に答えることができる。

<マクスウェルのコマが側壁に沿って進むのはなぜか?>
マクスウェルのコマで迷路の実験というのがある。
これを自動車と路面の関係から考えてみよう。

答 自動車の車輪が左回転しているとする。車軸にあたるのがコマの回転軸である。
自動車の進行方向にコマの回転軸が進むと、道路は進行方向に向かって左側にある。
図7において、マクスウェルのコマの場合、
重心が支点にあるのでMt入力モーメントは0であり、ΩK出力角速度も0である。
しかしながらこの状態で、コマの回転軸が強制的にΩmで移動する時、
ジャイロモーメントMgが進行方向の左手に作用する。
つまり、コマの回転軸は道路の押し付けられることになる。
次に、自動車の車輪の右回転を考える。
この時、道路は自動車の進行方向に向かって右側にある。
図7においてコマの回転方向を反転させると、コマの回転軸の移動Ωmの方向が反転し、
ジャイロモーメントMgが進行方向の右手に作用する。
つまり、コマの回転軸はやはり道路に押し付けられることになる。
この実験においては、角運動量ベクトル(コマの回転軸)を移動させるための
回転軸と迷路の側壁との摩擦がポイントになる。
摩擦が小さいと角運動量ベクトルの移動が抑制されジャイロモーメントも弱くなる。

<歳差運動を止めるとなぜコマはすぐに倒れるのか?>
歳差運動を止めるとコマはすぐに倒れることはよく知られた現象である。
しかし倒れたコマを見るとコマが勢いよく回転しているので、
コマの回転が弱った訳でもなさそうだ。
地球ゴマであれば、これを再び立たせることもできる。
なぜコマはマクスウェルのコマのように静止した状態で回り続けることができないのか?

答 まず外枠が回転していない地球ゴマから考えよう。
今、コマの歳差運動を板のようなものにあてて止めたとする。
歳差運動を止めると角運動量ベクトルの移動がなくなるため、
ジャイロモーメントMgもなくなる。
そのためMt入力(重力)モーメントがコマにそのままかかることになる。
コマは落下しはじめるが、コマが板から離れると歳差運動がはじまる。
そのためコマは板に押し付けられる。
するとジャイロモーメントMgがなくなり、コマは再び落下しはじめる。
しかし、また再び歳差運動がはじまる。
結局、この繰り返しによってコマは板に沿って落下することになる。
 一般のコマの場合、歳差運動を止めた板にはコマの自体の回転運動が加わる。
コマの回転と板の関係を前述のマクスウェルのコマの車輪と道路の関係に置き換え、
さらに歳差運動の方向を加味するならば、コマの回転の左右の方向にかかわらず、
コマは板に沿い下方に向かって移動することがわかる。
このため、歳差運動を止めた場合の一般のコマの反応は、
地球ゴマよりもはるかに早くなることがわかる。

6 地球の歳差運動における平均偶力の計算
 地球の歳差運動は赤道部分に働く遇力によって起こるとされるが、
ここでその遇力を計算してみよう。(付録『簡明 地球の歳差運動のトルクの算出』参照)
遇力は赤道部分の膨らみに対して作用するので、
夏至・冬至の時期に最大となり、春分・秋分の時期には零となる。
これは月も同様に考えることができる。
従って遇力には、太陽は半年周期、月は半月周期の変動がある。
ここでの計算結果は、これらの平均偶力である。
(6式)より、Mt=ΩIωsinθ(11式)である。
 Ω:日月歳差50″.39/年(文献4 p86)
   (50.39/3600) ×(π/180)/(365.2422day×86400s)(太陽日)=7.741×10
-12 rad/s
  I:地球の慣性モーメント 8.0×10
37 kgm2 (文献5 p450)
 ω:地球の自転の角速度 2π/86164s(恒星日)=7.292×10-5 rad/s(文献5 p450)
 θ:黄道傾斜角23.4°
これから求められるモーメントはMt=1.8×10
22 Nmとなる。

月と太陽の内訳は、天体の質量M、天体から地球までの距離Rとすると、
潮汐力はM/R
3に比例するので、月:太陽=11:5で、
月1.24×10
22 Nm、太陽0.56×1022 Nm、となる。
よく解説には太陽が主役のように示されているが、
それは引力の話で、月の偶力は太陽の2倍以上ある。
それは潮の満ち引きの主要因が月にあることによっても明らかであろう。
ちなみにMt=1.8×10
22 Nmを地球の赤道表面にかかる偶力に換算すると
1.8×10
22 Nm/12756km(地球の赤道の直径)=1.4×1015 Nとなる。
一方、太陽の引力は3.54×10
22 N、月の引力は1.98×1020 Nであり、
月の引力は太陽の引力の約1/180である。
前述の偶力1.4×10
15 Nは、太陽と月の合算引力の約1/(2.5×107 )となる。
このような微小な力?が、26000年周期の歳差運動の原動力となっていることは驚きである。
地球の歳差運動は、我々が想像している以上にデリケートなものかもしれない。
 上記の偶力は平均的なものであって、
実際には時間と共に大きさだけでなくその方向も変化している。
それは主として、地球に対する月・太陽の周期的な位置変化によるものである。
それにより発生するのが章動で、多数の周期成分の集合である。
章動のうち最も大きな成分は月による約18.6年周期の変動で、およそ±9秒である。
つまり地球の北極は歳差により年間約600mの速さで移動しながら、
同時に18.6年を周期として約±300mで黄道傾斜角の方向に変動していることになる。


Ⅱ 理科教具 ゴム糸吊り下げ型地球ゴマ

1 ゴム糸吊り下げ型地球ゴマの試作
 地球の歳差運動の原因は、月・太陽からの引力が
自転軸を立てようとする偶力によって起こると説明される。
力学的には、この偶力は地球の赤道が黄道面に重なった時、
つまり地球の地軸が直立した時に解消される。
ならば、地球の歳差運動を模擬するモデルは、
自転軸を立てる偶力を地球ゴマに与えてやれば良いことになる。
図8のゴム糸吊り下げ型地球ゴマの実験装置は、このような観点から試作したものである。

<試作上の注意点>
①ゴム糸をできるだけ長くする(長さは1m以上が望ましい)
太陽や月の引力の実態に近づけるために、
地球ゴマの動きに連動したゴム糸の長さの変化に対し、
ゴム糸の張力の変化を極力低減する。(ばね定数はゴム糸の長さに反比例)
また、地球ゴマの外枠にかかる張力の向きを鉛直向きからあまりズレないようにする。

②ねじり剛性係数の大きなゴム糸を使用する(輪ゴムの連結等)
地球ゴマの回転板が左回転すると、それに接している外枠は反作用により右回転となる。
これは結果的に図8における右回転の歳差運動を阻害する。
このため、地球ゴマの外枠の回転を抑制する必要がある。

   


ゴム糸で吊られた地球ゴマ
下は付属の金属製支持台
左は糸巻取り用ドラム


図8 理科教具 ゴム糸吊り下げ型地球ゴマの実験装置
   ・地球ゴマ SGジャイロスコープ  ディスク直径6cm 外枠直径7cm 
                    重量80g 調達先Amazon 4200円

2 実験課題

実験1 安定点とポテンシャル

 最初に、通常のコマにて地球ゴマ付属の支持台を使って歳差運動を確認する。
地球ゴマを左回転させ、コマを直立させた状態θ=0°からスタートさせる。(図3、表1参照)
地球は宇宙空間から北極を見て左回転しているので、以後の記述は左回転を基準とする。
右回転についても、どんな結果になるか各自で確認しておこう。
この時に地球ゴマの回転軸(外枠の軸)の先端を注意深く観察し、
その軌跡の渦巻き状のイメージを記録する。
さらに、θ=90°の後も観察を続ける。
付属の支持台は使えないので、支持台に置かれた
地球ゴマの外枠の軸(支点側)を短い糸で吊り下げ、下から見上げる。
そうすると、コマの先端は表2のような球面上にS字状の軌跡を描くことがわかる。
これを歳差曲線と呼ぼう。

表2 球面における通常のコマの先端の軌跡(歳差曲線)
   
 A コマの安定点とポテンシャル  B 球面上の先端の軌跡 

 次に、図8の実験装置を用いる。
最初にコマの終点をθ=0°に設定する。
この時、歳差運動の観察時間をできるだけ長くするため、
ゴム糸の張力はθ=0°でコマを直立させるために必要な最小限とする。
ゴム糸を引っ張り、地球ゴマをθ=90°寝かせた状態からスタートさせる。
 まずはじめに回転していないコマを放す。
コマは、安定点を中心に次第に減衰する単振り子に似た運動をする。
次に、回転しているコマを放す。
先端は上から見て、右回りに上昇してゆくのが確認できる。
ここで、コマの運動がジャイロモーメントによって
単振り子から円錐振り子に置き換えられたことがわかる。
前と同様に回転軸先端の軌跡(歳差曲線)のイメージを記録し表2と比較すると、
それが表2Bの下半球の図に一致していることがわかる。
つまり、終点から見れば地球の歳差運動も通常のコマの歳差運動も、
物理的にはまったく同じ現象であることがわかる。
重力によるモーメントとゴム糸の張力によるモーメントは同質のものである。
<検討>
ここでは、今後の説明に使われる安定点とポテンシャルについて述べる。
表2に示すようにコマは最高所から最低所まで回転しながら渦巻き状に落下する。
この時の高度を位置のエネルギーになぞらえてポテンシャルとして導入しよう。
表2の終点におけるコマの下半球における姿勢は、落下運動を停止した安定姿勢にある。
それゆえ、終点を安定点と呼ぼう。安定点はポテンシャルが最低でモーメント0、
安定点からのズレに対し自復力を有している。
等ポテンシャル線は、球面上においてゴム糸の張力が等しい点を結んだものとなる。
定常歳差運動におけるコマの先端はこの等ポテンシャル線に沿って移動する。
ゴム糸の伸縮する向きは等ポテンシャル線に直角で、その勾配は保存力の大きさを示す。
実験装置においては、ポテンシャルの高低は通常のコマとは逆になることに留意しよう。
コマの振る舞いはなじみのあるものであるが、それに対し地球は分かりにくい。
しかし、安定点とポテンシャルでコマと地球の運動を力学的に一元化することにより、
コマの検討結果を直ちに地球の歳差運動に読み替えることができる。

実験2 任意の位置における安定点の作成
 これまで安定点はθ=0°であったが、理論的には安定点は任意に設けることができる。
ここでは、その一例としてθ=45°付近に安定点を設けてみよう。
やり方としては、図8の支持台の位置を、コマを45°傾けた時の回転軸の先端が
移動する前の支持台を通る鉛直線上にくるようにずらすだけでよい。
コマの軸の先端を少し動かして自復力があることを確認しよう。
これがθ=45°付近の安定点となる。
回転するコマをθ=0°付近からスタートさせると、コマは大きく下降した後上昇して、
45°付近を安定点とする右回転の渦巻き運動を形成する。

実験3 ジャイロモーメントの確認
コマが水平方向に回転移動するときのジャイロモーメントの増減を、はかりにて確認する。
はかりは1g程度の変化が測定できる料理はかりを使用する。
台車に牽引用の糸を、コマの両側を牽引できるよう中央部で留める。
牽引時にコマが転げ落ちないように両面接着テープを使用する。

 
 
・台車はNTN単式スラスト玉軸受
  51100(調達先Amazon 621円)の
 片側の板を除いたものを使用。
  図9 ジャイロモーメントの実験装置

回転していないコマを倒れた状態で、はかりに置かれた台車に乗せる。
支持台とはかりは別に置き、支持台にコマの重量がしっかりとかかるように
支持台とはかりの高さを調整する。

実験手順
①風袋引き機能を使ってはかりの測定値を0gにセットする。
 次に、台車に結ばれた糸を水平方向に引っ張って支点を中心として
 左右に軽く回し、測定値が変化しないことを確認する。
(注)糸は垂直分力の影響がでないように必ず水平に静かに引っ張ること。
②コマの回転板を左回転させてから、
 それをはかりの上にそっとおいて0gであることを確認する。
 それから、①と同様に左右に回すと、
 はかりの測定値は左回転がマイナス、右回転がプラスになる。
③回転板の回転数が大きいものほど上記の測定値が大きいことを確認する。
④上記の実験を、回転板を右回転させたコマでも行う。
<検討>
実験装置においては、コマにかかるモーメントは0であるから歳差運動は存在しない。
この状況で、支点を中心としてコマを回転移動させる行為は
強制的な歳差運動と見なすことができる。
この時、図7で述べたようにジャイロモーメントは
角運動量ベクトルの進行方向の左手に作用する。
歳差運動の速度が早く、また角運動量Lが大きくなるに従い、
はかりに±で表示されるジャイロモーメントが大きくなる。
歳差運動の向きへのコマの回転移動はポテンシャルを増大させる。
これを数式で表せばMg=L×Ω(10式)となる。
ΩがΩ=mgr/L(6式)に達した時、ジャイロモーメントは重力モーメントと拮抗し、
はかりの上面を水平方向に離陸して定常歳差運動となる。
さらにΩを早めるならば、コマは上昇に転ずる。

逆に、Ωが遅くなるとコマは歳差運動に至るまでに少し下降することになる。
表3は以上の関係をまとめたものである。

 表3 歳差運動とポテンシャル 
 コマのタイプ   通常ゴマ   吊り下げゴマ
 安定点の位置  下方  上方
 歳差運動の向き  左回転  右回転
 はかりの目盛り   マイナス   プラス
 ジャイロモーメント  上向き  下向き
 ポテンシャル  増大

尚、回転板を右回転させたコマの実験では、はかりの目盛りのプラス、マイナスは逆となり、
歳差運動の向きへのコマの回転移動はやはりポテンシャルの増大をもたらす結果となる。

実験4 ゴム糸の張力と歳差運動の角速度との関係
実験装置を使った実験1の途中において、ゴム糸を指でつまんで少し緩めると、
歳差運動は右回転から左回転となる。
ゴム糸を上下に変化させると、歳差運動の回転向きを左右に変えることができる。
さらに糸巻取り用ドラムを使ってゴム糸の伸縮を微調整すると、
ゴム糸の張力に応じて歳差運動の角速度をコントロールできることがわかる。
<検討>
Ω=Mt/Lsinθ=Mt/Iωsinθ(6式)のモーメントMtは、ゴム糸の張力と重力の合成である。
Mtが大きくなると歳差運動の角速度Ωも増大し、小さくなると減少することがわかる。
そして、ゴム糸の張力が重力に打ち勝つと歳差運動は右回り、負けると左回りになる。
さらに等しい時には停止する。
(注)前述のように、月や太陽が地球に及ぼす偶力は周期的に変化している。
   ここでは、この偶力に相当するのがゴム糸の張力である。
   このため地球の歳差運動は、周期的に早くなったり遅くなったりを繰り返しながら
   右回転していることになる。
   一般に言われている歳差運動の角速度50″/年は、この平均の角速度である。

実験5 歳差運動の角速度Ωの加減速
図8の実験装置において、細い棒状のもので歳差運動を軽く加速する形で
コマの回転軸の先端を右に回してやると、コマの軸は下降する。
逆向きに歳差運動を軽く抑制してやるとコマの軸は上昇する。
次に、歳差運動を強制的に停止させると、
棒に沿ってコマが上昇(通常のコマでは落下)してゆくのが観察できる。
<検討>
本実験は前の実験3の継続である。
歳差運動の角速度Ωが増大すると、ジャイロモーメントが増大しポテンシャルを獲得する。
逆も同様に考えられる。(注)
ジャイロモーメントMgは、Mg=L×Ω (10式)である。
歳差運動の強制的な停止についてはⅠコマのアナロジー5で説明したおりである。
尚、通常のコマにおいては、歳差運動を加速する向きは回転軸の上昇、
減速する向きは下降をもたらすことになる。
(注)Ωはコマの上下運動と密接な関係があり、これはコマの章動と呼ばれる。
   詳細については末尾の文献1と関連サイトを参照されたい。
   
この原理は地球にもあてはまり、月や太陽の引力が歳差運動を加減速する方向に
   作用するときに章動が発生する。



Ⅲ 理科教具 角運動量制御型電動地球ゴマ

1 角運動量制御型電動地球ゴマの試作
 渦巻き運動のⅡの実験1において、変化しているものと言えばコマの回転数である。
ならば落下現象の時間を巻き戻して考えると、
コマの回転数の持続的な増加dω/dt>0によって
コマは上昇するのではないかとの推定がもたらされる。
角運動量制御型電動地球ゴマは、この素朴な発想をもとに試作したものである。
実験装置の全体構成は図8と同じとする。

<部品一覧>
地球ゴマ SGジャイロスコープ  ディスク直径6cm 調達先 Amazon
リモコン送受信機(ラジコンカー用) Perfk Receiver Set for Kids 
 受信機15g 中国製 調達先 Amazon
モーター ミニ四駆用ハイパーダッシュモーター3 定格3V 17g
変速用歯車 ミニ四駆用TAMIYA AO-1032 調達先 模型店
モーター駆動用電池 LP503040  3.7V充電式リチウム電池 600mAh サイズ40×30×5mm
 フル充電4.2V 調達先 Amazon 使用上の注意は下記参照

<予算> 地球ゴマ 4200円   その他の部品一式  約4000円


図10 角運動量制御型電動地球ゴマの実験装置   
   左 リモコン送信機 右 地球ゴマ 重量135g 外形7cm

<モーター駆動用電池について>
電動地球ゴマの電池は、小型軽量で強力なパワーを必要とする。
そのため、本電池の使用にあたっては、電池内蔵の過放電防止保護回路をバイパスし、
モーター接続用の端子を取り付ける。
電池本体から出力された外側の端子にはんだ付けすること。(図11参照)
はんだが付きにくい場合は、導電性アルミ箔粘着テープが意外と使える。

外側の端子はモーター接続用
 コネクタタイプ 2ピン JSTプラグ ピッチ2.0mm

内側の端子は充電用(製品付属)
 
コネクタタイプ 2ピン JSTプラグ ピッチ1.25mm
 図11 3.7V充電式リチウム電池 全重量14g(端子含む)

電流の制御はリモコンで行うことになる。
規格外の使い方なので、よく調べた上で安全には十分配慮すること。
電池が消耗して起動しない時は、補助として手で少し回してやるとうまく回転する場合がある。
また、プロテクトを解除した電池をリモコンに通さずモーターに直接接続すると
焼損の可能性があるので絶対にしないこと。
電動地球ゴマを長時間使用しないときは、電池を取り外しておくこと。

<製作手順と部品の説明>
①青色のギアに地球ゴマの回転軸の径4.2mmに勘合する穴を明ける。
この作業は電動地球ゴマの性能を左右する重要な工程である。
穴は、中心からずれることなく垂直でなければならない。
このため、キリは細いキリから順に太いキリに差し替えながら
無理な力を加えずゆっくりとやること。
作業を急ぎすぎるとギアが熱変形するので注意。

②地球ゴマの溝がある方の軸受けはネジになっているので、
これと外枠のネジを緩め回転板を取り出す。
回転板を元にセットする時は、回転板がスムーズに回るよう軸受けの締め付け代を調整する。
緩めたネジ部は運転中に緩むおそれがあるので、
再調整も考慮して少量の接着剤で固定しておく。
回転板に青色のギア(小さなギアの部分を外側)に勘合する。
もし、勘合が緩い場合は接着剤を併用すること。

③モーターに黄緑色のギア(突起の部分を外側)を押し込んでセットし、
モーターをフレームに取り付ける。
図12Aは、プラスチック製の名刺入れの箱をフレームとして利用したものである。

④モーターと地球ゴマのギアのかみ合わせをおこなう。
この作業は①の穴あけ作業と並んで電動地球ゴマの性能を決定づける重要な工程である。
ギアの歯の数はモーター30枚、回転板18枚(小さなギア)で、5:3である。
かみ合わせが悪いと、トルクが円滑に伝わらずコマが回転しない時がある。
ギアとギアとのクリアランスは、近すぎても離れすぎてもいけない、
0.1㎜が問題となる世界である。
モーターに3V電池を接続し静かに力強く円板が回転する位置を丹念に探した後、
モーターのフレームを地球ゴマの外枠に接着剤にて固定する。(図12A参照)
この時①の穴あけ作業でセンターの位置がずれている場合には、
その分クリアランスが変動することになる。
この場合には、モーターの支持にクッションを設けるなどの工夫が必要となる。
コマがうまく回らない原因のほとんどが、かみ合わせにあると言っても過言ではない。

 
Aコマの下部 モーター・電池側
 モーターを取り付けた白いフレーム
 
 Bコマの下部 リモコン側
 図12 電動地球ゴマの構造写真

⑤リモコンの取り付け(図12B参照)
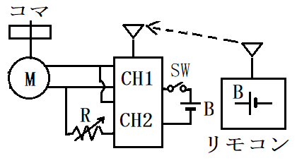
下図に従って結線を行う。

   リモコン受信器の電線色(上から)
 チャンネルCH1白 緑  CH2青 黄
 電池(バッテリー) B+赤 B-黒 
 
 図13 電動式地球ゴマの回路図
  
チャンネルは定速運転の回転速度を、モーターの電圧制御によって2段階にしたもので、
CH1が能力一杯の最高の回転速度で、CH2はそれを一段階落としたものである。
玩具用のリモコンは線のハンダ付け部が断線しやすいので、
作業前に絶縁テープなどでガードしておくこと。
図10のリモコン送信機において左ボタンがチャンネルCH1、右ボタンがチャンネルCH2となる。
また十字状の左側が左回転、右側が右回転となる。運転中の過熱には十分注意し、
時々リモコン中央部の四つ並んだ黒い放熱板を指で触って確認すること。
リモコンのスイッチSWは、必要以外は切っておくこと。

⑥可変抵抗の取り付け
上記のチャンネルCH2を実現するため、図12の位置に可変抵抗を挿入する。
抵抗はニクロム線を使用し、抵抗値を0.1Ω程度とした。
抵抗値の調整はニクロム線の一部をアルミ箔などでカバーすることにより行った。
抵抗は過熱する場合があるので、必ずコマの外側おいて加熱具合を時々チェックすること。

<メインテナンス>
①地球ゴマの異音が気になる時は、軸受け部にミシン油を注油すること。
②ギアの歯の摩耗を抑制するため、時々運転前にモリブデングリスを塗布すること。
③回転板の振動で地球ゴマのネジ部が緩む場合があるので、時々チェックすること。

2 実験課題

実験1 ジャイロ効果の検証

コマの支持枠を糸で縛って図14のようにやや傾けて吊る。
コマを水平に保持した状態でコマの回転数を定速運転に上げた後コマを水平位置から離すと、
コマは上から見て右回転の歳差運動を開始する。


図14 ジャイロ効果の検証 (コマが傾けて吊られた状態)

<検討>
上図の左側は地球の北極側で、コマの円板の回転は北極側から見て左回転している。
図14の右側にはモーター部があり、重力によるモーメントがかけられている
そのため水平状態にある左側の回転軸には上向きのモーメントがかかる。
従ってコマの軸の歳差運動は上側から見て右回転となる。
尚、コマの回転を反転させれば、歳差運動も反転する。
つまり、地軸を立てるようなモーメントがかかると、
歳差運動はコマの円板の回転の向きと逆になることがわかる。(表1参照)

実験2 コマの回転数の加速によるポテンシャルの獲得
本実験はコマの回転数の増加dω/dt>0によるポテンシャルの獲得を明らかにするものである。
実験装置としては表2の下半球の図を想定したものとなる。
地球ゴマの外枠の強い回転を逃がすために短いボールチェーンで、
図15Aのようにコマの回転軸の支点側(モーター側)に結び付ける。
尚、激しすぎる外枠の回転は指で軽く抑制すること。
コマが位置のエネルギー(ポテンシャル)を獲得してゆく過程を観察する。
図15Aの状態でリモコンのスイッチを入れると、
コマはかなり早い歳差運動をしながら垂直状態のAから円錐状態のBへと、
その姿勢を変化させてゆく。
Ⅱの実験1で検討した安定点とポテンシャルの関係から、
図15の歳差運動の向きは支点側から安定点を見て左回転となる。
やがてコマが定速運転になったところで、安定した歳差運動に落ち着く。


図15 コマの回転の加速によるポテンシャルの獲得(A→B)

尚、コマの回転の向きを逆転(右回転)させても、
歳差運動の向きが逆転するだけで図15Bのようになる。
<検討>
コマの回転のエネルギーは(1/2)Iω
であるから、
コマの回転の向きのωの正負とは無関係になる。
実験結果は、回転エネルギーの新たな注入がコマの重心を上に引き上げ、
位置のエネルギーmghに転化していることを示すものである。
ここでdω/dt>0の時、なぜコマのポテンシャルが増大するのかについて検討しよう。
図16は通常のコマにおける角運動量の変化と
ポテンシャルの関係を示したものである。(表2参照)
コマの軸の倒れる角速度Ω
Kは、(8式)より支点から見てΩK=Mt/Lである。
従って、角運動量Lの大きなものほどコマの倒れる角速度が遅く、移動量も少ない。
コマの回転軸の角運動量をLとして、dL/dt=0の時が定常歳差運動(θ一定)となる。
ここでdL/dt>0の条件下で角運動量Lが⊿Lだけ増大すると、
(10式)より⊿Mg=⊿L×Ωのジャイロモーメント⊿Mgが生じる。(図7参照)


図16 通常のコマにおける角運動量の変化とポテンシャル
    矢印はdL/dt>0の時は歳差円の外側(θ減少の方向)
    dL/dt<0の時は歳差円の内側(θ増大の方向)に向かう。

この結果、dL/dt>0の時コマはポテンシャルを獲得し、
dL/dt<0の時ポテンシャルを喪失することになる。

実験3 コマの回転数の加速 dω/dt>0
図8の実験装置は、図15の安定点を上方に置き換えたもので、
地球の歳差運動を模擬したものである。
ゴム糸の張力は、重いコマを動かすために、コマが直立する最小限とする。
安定点がθ=0°の状態でコマを運転する。(図3参照)
この時、コマが偶然にも支持台の上で完全な直立状態(眠りゴマの状態)にある場合は、
モーメントが0で歳差運動が起こらないので、コマを少し傾けてやる。
リモコンのスイッチを入れると、コマがゴム糸を引っ張りながら徐々に傾き
右回りの歳差運動が始まる。(図10参照)
この状態が、コマがポテンシャルを獲得してゆく過程である。
円板の回転の向きを逆(右回り)しても運転できるので、
ついでに確認しておこう。

実験4 コマの回転数の減速 dω/dt<0
実験3において、コマの傾きθが最大に近くなった状態でリモコンのスイッチを切る。
コマの回転数が衰えるとともに、コマが次第に右回りの渦巻きを描いて
立ち上がる様が見て取れる。
歳差の渦巻き運動を観察し、Ⅱの実験1を追認しよう。
<検討>
この実験は、通常のコマが倒れる現象を模擬したものでもある。
コマが倒れる理由は自明なように思えるが、
倒れる様を数式として示すのはコマが倒れないことよりも困難である。
図16はその様々な理由の一つを与える。

実験5 コマの運転中における回転数の加速と減速
コマの運転中で、コマの回転を加速させるとポテンシャルも
増大する(コマがゴム糸を引っ張ってθが増大する)ことを
確認しよう。
逆に、コマの回転を減速させるとポテンシャルも
減少する(コマがゴム糸に引っ張られてθが減少する)ことを確認しよう。
<検討>
このことは、地球の自転速度の加速・減速によっても
黄道傾斜角が変動する可能性を示している。

実験6 コマの回転数一定 dω/dt=0
ここでは、巻取り用ドラムを回してゴム糸の張力を変えることにより
歳差運動の角速度Ωをコントロールする。
コマの回転数を一定に保ちながら実験をおこなうことは、手回しの地球ゴマでは無理であった。
電動地球ゴマでは、これをじっくりと観察できる。
コマの定速運転時の回転数は、モーターがコマの円板を駆動するときの
負荷特性によって決まり、電圧に依存する。
電圧制御によりリモコンチャンネル1はモーターの最大回転数、
リモコンチャンネル2はそれよりも一段回転数を落としてある。(図13参照)
この時、抵抗の過熱には十分注意しよう。
チャンネル2の起動力は弱いので、チャンネル1で起動した後、チャンネル2に切り替えよう。
<検討>
歳差運動の角速度はΩ=Mt/Lsinθ(6式)にて表されるので、
ゴム糸の張力を変えて歳差運動の角速度Ωを調整することができる。(Ⅱの実験5参照)

実験7 歳差運動を妨害する
最後に、実験6で歳差運動中のコマに色々な障害物を置いて遊んでみよう。
どんな置き方をしてもほとんどが障害物に沿って上方に移動してゆくのが観察できる。
<検討>
この実験におけるコマの軸の動きをマクスウェルのコマの迷路の実験と比較するのは興味深い。
本実験でコマの軸が障害物の表面にある時は、
歳差運動Ωが停止しているからジャイロモーメントは働かない。
しかし、障害物から離れると歳差運動Ωが起こる。
それに対し、迷路の実験では障害物の表面に対して
コマの軸を押し付けるようなジャイロモーメントMgが常に働く。
図17の障害物の先端におけるコマの軸の動向はそのことを示している。


図17 マクスウェルのコマ(左)と地球ゴマ(右)の経路の比較





参考文献
1『自然は方程式で語る』 p258~263,P384~458 大島隆義  名古屋大学出版会 2012
2『こまはなぜ倒れないか』(物理学演習One Point 3)  p71~93 
  安井久一  共立出版 1998
3『工科のための一般力学』 p158~167 中川憲治 森北出版 1997
4『天文計算入門』 p37~41,p84~93 長谷川一郎  恒星社厚生閣 2007
5『地球の物理学事典』 p92~96,p450~451 朝倉書店 2013

参考サイト
1 京都市青少年科学センター
2 YouTube 地球ゴマにモータを付けてみた - Bing video

<補注>
90°ルールは、厳密には正確でない。
下図は手で持った地球ゴマを水平の位置で放した直後のコマの軸の軌跡である。
 
図19は、図18の解説図で図2の入力Mtによる
位置変位と出力Ωによる位置変位を
角度で
模式的に表現したものである。
時間は左から右方向に流れている。
コマの先端に入力を加え続けると、
微小であるがコマは入力の方向にθ0からθcに移動する。
このとき、図19のような振動が発生する。
これが章動と呼ばれる現象である。

コマが高速回転している時は、章動は微小である。
従ってθ0≒θcとなり、90°ルールが成立する。

図18 手で持った地球ゴマを水平の位置で放した直後のコマの軸の軌跡
   引用 『ファインマン物理学』Ⅰ力学 p280~283 坪井忠二 岩波書店 1990


図19 コマの先端の軌跡(横軸:Ω方向の変位 縦軸:V方向の変位)

章動はエネルギー損失がない時には永続するが、
現実にはコマの軸の摩擦等により次第に減衰し、
重力モーメントとジャイロモーメントの平衡点における定常的な歳差運動に移行してゆく。
この運動はコイルバネに重りを吊るした時の単振動に類似していて、
θcがバネの平衡点に相当する。詳しくは、下記の関連サイトを参照願いたい。

関連サイト 理科教具で学ぶコマの運動<歳差・章動・極運動>

                            (C20210620カウンター