イワクラ(磐座)学会 研究論文電子版 2009年1月11日掲載
イワクラ(磐座)学会 会報15号掲載
キーワード 弥生絵画, 稲吉角田遺跡, 田和山遺跡, 吉野ヶ里遺跡, 妻木晩田遺跡,
方位信仰, 太陽信仰, 山岳信仰, 多鈕細文鏡, 扶桑樹, 船通山, 鳥の山
田和山幻想 稲吉角田遺跡の土器絵画
<イワクラ学で解く弥生絵画の謎>
はじめに
イワクラ研究の手法として重要なものに「方位に関係する祭祀」がある。
太陽の冬至・夏至・春分・秋分における日の出・日の入り、霊山に向かって建てられた寺社、神社やイワクラの地理的な幾何学的配置等、様々なものがある。
本論文では、これを祭祀線と称している。しかし、古代祭祀の研究において、この祭祀線の検討は看過されるか無視される場合が多い。
本論文は、太陽と山の祭祀線をもって稲吉角田遺跡の土器絵画の謎にせまるものである。
稲吉角田遺跡の一連の土器絵画は、一般的には農耕儀礼である銅鐸の祭りを描いたものと推測されているが、この内「木に吊るされた銅鐸」は原画に忠実な見方とは思えない。本論文は吉野ヶ里遺跡の「夏至と雲仙岳」の二つの祭祀線との類似性から、絵画に最も適合した遺跡が松江市の田和山遺跡であることを見出すと共に、絵画が田和山遺跡における鏡の祭具(扶桑樹)を用いた冬至の太陽祭祀と船通山(鳥の山)の祖霊伝承の山岳祭祀を表しているという新解釈を提起したものである。
もちろん新解釈は論証されたものではないが、既存の弥生絵画の解釈がすべて仮説の段階である状況においては、新たな仮説の一つとして成り立つであろう。そのため、論文の表題を「田和山幻想」とした。
(注)参照文献は末尾に「著者の五十音順」に掲載した。また、論文中のHPはホームページの略で、文献と同様に末尾に「表題の五十音順」に掲載した。
1 稲吉角田遺跡出土弥生絵画の従来の解釈
鳥取県米子市にある稲吉角田(いなよしすみた)遺跡(弥生中期)において、絵画が描かれた土器が出土した。その概要を『原始絵画の研究』(設楽2006)より以下に要約・引用する。
稲吉角田遺跡は、妻木晩田(むきばんだ)遺跡の西方に位置する丘陵の裾近くの扇状地に所在する遺跡である。1980年の調査において多数の弥生土器が出土し、その中に絵画資料が含まれていた。この土器は、口径約50cm、推定高120 cm以上の大型壷であり、口縁部から頸部にかけて6種類の絵画が描かれている。土器の大きさや他の遺跡の類例からみて、土器自体はおそらくは壷棺として利用されたものと思われるが、正確な出土状況は不明である。土器の時期は伯耆W‐3期(弥生時代中期後葉)であり、絵画は土器の焼成以前に描かれている。
図1Aのaからfは、この土器に描かれた絵画で、見やすくするために一部補正が施された復元図である。
図1Bは、(佐々木1981)に掲載の図1Aに対応する出土原図である。

a鹿 c樹木?+銅鐸? d高床式建物 e やぐら状建物
b太陽 f 船と人物
図1A 稲吉角田遺跡出土の弥生式土器に描かれた線刻絵画の復元図(佐原,春成1997)

図1B 稲吉角田遺跡出土の弥生式土器に描かれた線刻絵画(出土原図)(設楽2006)
報告者の佐々木謙によれば、aは鹿であり、bは太陽とされている。cは植物を表現したものであり、おそらくは樹木で柿の実のようなものをつけているとされる。dは切妻屋根の家屋であり、住居と倉庫を組み合わせた家屋敷を表現したとされる。eは寄棟の高床倉庫とされる。fはゴンドラ形の舟であり、漕手の頭には風になびく舟印が付けられているとされる。
佐々木の紹介後、国分直一は、これらの絵画のうちfの舟上の人物の頭部表現については舟印ではなく羽を表現したものであるとし、鳥装の人物が舟に乗っている場面を表現したものとの解釈を提出している。
金関恕はfの鳥装の漕手と他遺跡出土土器に描かれた鳥装の祭祀担当者との間のモチーフの類似性を指摘し、蘇塗的祭祀(下注参照)との関連を説いている。そして、絵画全体がこの蘇塗的祭場を忠実に写したものであるとして、cを銅鐸が吊るされた樹木と捉え、dとeを祖霊像を納めた神殿とし、fを穀霊を運ぶ舟と解釈した。
(注)蘇塗(ソト) 弥生時代の朝鮮の有様を記した『魏志東夷伝馬韓条』には、大木を竿として立て、それに鈴鼓(朝鮮式小銅鐸)をかけて、神を祀る儀式があったことが伝えられている。この竿木を「蘇塗」あるいは「鳥竿(ソッテ)」という。
蘇塗の祭りは、竿や木柱を神木に見立て、鳥の羽、白紙、布を結びつけて天神を降ろし、民衆がこれをとりまいて歌い踊るもので、五穀豊穣を祈願する祭りだった。また、朝鮮式小銅鐸は、高さ4〜16cmの小形で棒状の舌(ぜつ)を有し、日本の銅鐸の原型といわれる。
春成秀爾は、金関と同様にcを樹木に銅鐸を吊るした情景と考え、これら一連の絵画を祭祀の情景を表したものと解釈した。春成は、他の遺跡における絵画のあり方を参考にしながら、dを高床倉庫、eを神を祭る祠と捉える。そしてfは鳥装の人物を乗せた舟とし、aを鹿、bを特異な表現としながらも太陽であるとする。
以上が主な絵画解釈の各説の紹介であるが、これ以外には、cの銅鐸を太陽祭祀の祭具と考える(千田1996,大和1998)の説がある。
変わったところでは、木に吊るされた銅鐸は、死者を網籠に入れて人目につかない川上の樹木に吊るして風化させる風葬儀式と見る説(HP「風葬と稲吉角田遺跡出土土器」)がある。
また、稲吉角田遺跡の近くにある妻木晩田遺跡の海を見下ろす山頂(洞ノ原地区)に大型の総柱建物跡が見つかったことから、淀江の港の風景を描いたという説もある。(佐古1999)
2 従来の解釈の問題点
従来の解釈は、現在のところ一般的には銅鐸の祭りの風景を描いたものとされ、その銅鐸の祭りは農耕儀礼あったと推測されている。しかし、それが真の解釈であろうか。
その疑問の理由は、図1のcにある。私にはこれが「木に吊るされた銅鐸」にはどうしても見えないからである。これを、自信をもって「木に吊るされた銅鐸」だと言い切れる人はいないであろう。ならば、「銅鐸の祭り」の解釈も、この絵に関しては成立しがたいと言わざるを得ない。裾のすぼまった紡錘状の銅鐸などありえないし、その銅鐸を吊るしている樹木の枝も棒のようである。
従って、「木に吊るされた銅鐸」は農耕儀礼と結びつけるためのいささか強引な解釈と言わざるをえない。
ここで従来解釈の問題点をまとめると次のようになる。
@絵画そのものに忠実に立脚した解釈でない。
A農耕儀礼一辺倒であり、弥生の祭祀の多様性が排除されている。
B近畿と山陰の絵画が同質なものとして論じられており、絵画の作者が置かれている個別事情が無視されている。(例え図柄が似ていても、それが同一の祭祀を表すとは限らないので、個々の検討が必要)
私には稲吉角田遺跡の土器絵画が、弥生の祭祀を単に描いたのではなく、どこかの近在の遺跡の具体的な祭祀を描いたものに思えてならなかったのである。本論文は、かかる観点から山陰地方の遺跡と伝承を調査し、稲吉角田遺跡出土の弥生式土器に描かれた線刻絵画が、松江市の田和山遺跡の祭祀をもとに描かれた可能性を述べるものである。
3 田和山環濠集落遺跡の概要と検討
絵画解釈の舞台となる田和山環濠集落遺跡の概要と検討につき、ホームページ「松江市史跡公園」より要点を以下に記載する。
[遺跡の概要]
田和山遺跡は、松江市の中心部から南へ約3kmの乃木平野の東部に独立してある「田和山」と呼ばれる丘陵の北半部に所在し、その面積は約1.6ha余りである。遺跡は、最高所の標高約46mの小高い丘を中心に山麓斜面まで展開し、山頂からは東に茶臼山や大山を、北に松江市街と島根半島を、北西方向に宍道湖を眺望することができる。
遺跡の構成は、(1)山頂部の建物施設群、(2)斜面の環壕、(3)住居跡群の三つのエリアから成る。以下エリア毎に説明する。(図4、15参照)
(1)山頂部の建物施設群
狭隘な山頂部は、東西約10m、南北約30mの緩やかな馬の背状の平坦地で、北側に9本のまとまりのある柱穴群があるが、柱穴の深さが不均一であることや柱穴間の距離が不揃いであることから建て替えの可能性のある高床式倉庫跡1ヶ所(弥生中期後半)、そのすぐ東側に底の浅い6本の柱穴からなる塀跡1列(弥生中期後半)、南西側斜面に一間四方(柱穴5本)の物見やぐら跡と考えられる掘立柱建物跡1軒(弥生前期末〜中期後半)がある。南部に三日月形の加工段1ヶ所(弥生前期末)、北部に二段の加工段がある。
(2)斜面の環壕
山頂部直下の斜面には三重の環壕がまわる。内側の第一環壕は、まず前期末頃に谷部のみ3ヵ所に壕が掘られるが、中期後半までに二度ほど掘り直され、支陵部にも掘られて一周する。
真中の第二環壕は、中期後半までに掘られ一周する。
外側の第三環壕は、中期後半までに掘られるが、東南部の区間は、両端の底面が上がっており、当初から造られていなかったものと思われる。
(3)住居跡群
住居跡は、環壕の外側斜面にあり、弥生時代中期後半の竪穴式円形住居跡が11軒、同時期の加工段が13ヶ所、ピット群2ヶ所、尾根を削平した段1ヶ所の計27ヶ所がある。北側と西側斜面に偏在しているが、大半は北側斜面に分布している。
[遺跡の検討]
遺跡は、まず弥生時代前期末頃に第一環壕が造成された。同じ頃、山頂部の物見やぐらも建てられた可能性がある。しかし、環壕は一周するわけではなく、東、北、西の谷部しか造られなかった。つまり、尾根部には無く、そこから山頂部へは上がれないことはない。壕は聖地と俗界を区別する意味で造られたのかも知れない。
その後、第一環壕が全周するのと前後して、弥生時代中期の後半頃までに第二と第三環壕も造成され、山頂部の他の建物施設も建てられた。そして、環壕外の北側と西側斜面に竪穴住居11軒と加工段13ヶ所や尾根を削平した段などが造られる。後期の土器など遺物は、一片すら確認されなかったので、中期の終わり頃には機能を停止し、使われなくなったと考えられる。
弥生時代は、農耕が開始され生活が徐々に安定していった時代だが、一方で収穫物などをめぐって争いが絶え間なく起こった時代でもある。そのため、ムラを外敵から守るため、ムラのまわりに環濠を掘った。それが「環濠集落」と呼ばれる遺跡である。
しかし、田和山遺跡の場合は、環壕の内側には小さな丘があるだけで、しかもその山頂部には竪穴式住居など一つもなく日常的に人が住んでいた形跡がない。小さな倉と物見やぐら、性格不明の無数の柱穴、塀、柵があり、多量の土器に加え銅剣形石剣や土玉も元は山頂部にあったと思われる。集落跡は逆に環壕の外側斜面にあり、環壕集落としては極めて特異なあり方を示している。このため三重の環壕は、集落を守るためのものではなく、山頂部そのものを守るためと考えたほうがより説明がつきやすい。
周辺の遺跡をみると、弥生時代前期後半から開始されたものが多く、忌部川を中心に広がる乃木平野を水田に開拓しながら、田和山遺跡の西と東にある丘陵や低地に居住空間が展開していったことがわかる。大規模な環壕の造成は、このような周辺の複数の集落から人々が動員されて初めて可能となるものであり、山頂部で行われたかも知れない祭祀も複数のムラの共通する信仰に基づくものであろう。
弥生時代の出雲では、前期から中期まで続いた青銅器祭祀社会がやがて幕を閉じ、後期になると四隅突出形墳丘墓が大型化し、墳墓祭祀に移行していくようになる。田和山遺跡が後期には廃絶しているという事実は、山陰地方の弥生社会の変動期をよく反映している。
4 田和山の太陽祭祀
4.1 弥生の太陽祭祀の事例 吉野ヶ里環濠集落遺跡
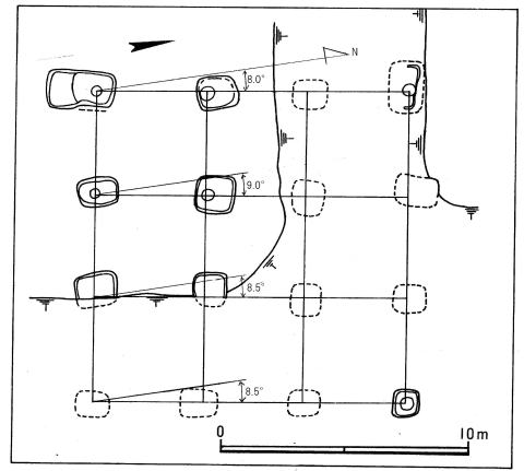
土器絵画の図1のbを太陽と見るならば、それに対応する祭祀として太陽祭祀が思い浮かぶであろう。実は、邪馬台国の比定地にも挙げられている吉野ヶ里環濠集落遺跡に、夏至の太陽祭祀線が存在することが明らかになっている。(図2)
吉野ヶ里遺跡に北内郭と呼ばれる弥生時代の後期後半から終末期(2〜3世紀)の集落の中心部分があり、現在「吉野ヶ里歴史公園」として復元展示されている。北内郭は、図2に示すように夏至の日の出と冬至の日の入りを結ぶ線にて対称形に作られている。

図2 吉野ヶ里遺跡における祭祀の方位線(金関2004) (北内郭の主祭殿と東祭殿の表記は筆者が追記)
図中の遺跡・中軸線の方位は、南を基準にして西に6°振れている。
北内郭の主祭殿と雲仙普賢岳の方位は、南を基準にして西に8°振れている。
![]() |
北内郭に東祭殿と呼ばれる建物があり、写真(図3)と共に次のように紹介されている。 (HP「吉野ヶ里歴史公園」) 「東祭殿は、夏至の日の出と冬至の日の入りを結ぶ線上にある高床の建物である。 太陽の動きを知るための建物で、ここでは季節ごとの祀りが行われていたと考えられている」 |
| 図3 吉野ヶ里遺跡 復元された東祭殿(HP「吉野ヶ里歴史公園」) | |
4.2 土器絵画の太陽祭祀<太陽・神庫・鏡の祭具>
太陽祭祀は縄文時代からある祭祀であり、田和山遺跡においても初期の祭祀と考えられる。そのため、田和山遺跡の弥生時代前期末頃の遺跡地図(図4)を参照する。

図4 弥生時代前期末頃の田和山遺跡(HP「松江市田和山史跡公園」)
山頂部の南にある5本柱がやぐら状建物(弥生前期末〜中期後半)、
その下にある太線で囲んだエリアは三日月形の加工段(弥生前期末)と呼ばれるもの
塗りつぶした部分は環濠、この時期には山頂の高床式建物が建っていないことに注意。
最初に、祭祀施設と考えられる山頂の建物について、表記を次のように統一する。
・5本のまとまりのある柱穴跡 やぐら状建物(弥生前期末〜中期後半)
・9本のまとまりのある柱穴跡 高床式建物(弥生中期後半)
図4において、やぐら状建物を図1の土器絵画eと考える。そのものずばりであろう。
次に、図1の土器絵画cを、冬至の日の出、日の入りの方向に向けた鏡をセットした祭具と考える。イワクラ研究の成果から、冬至の日の出、日の入りは、太陽の祭祀において夏至と同様に極めて重要な方位であることが知られている。
ここで、吉野ヶ里が夏至なのに、田和山がなぜ冬至なのかを説明する必要があるだろう。
考古学的には、田和山において冬至の日の出方向である南東方向に弥生時代前期末頃の遺構や遺物の集中が見られることが挙げられる。遺構は、図4のやぐら状建物と三日月形の加工段である。また、やぐら状建物の近くに焼土があったとされ、黒曜石の原石が出土している。
さらに、山頂の南東方向に古い時期(弥生前期後葉〜中期前葉)の土器片が多いという傾向も指摘されている。
ホームページ「田和山遺跡鑑定書」は、環濠が南東部において意図的に掘られなかった可能性があること、居住区が日当たりの良い南側を避けて北側に偏在していることなどから、南東方向に特別な注意が払われたことはほぼ確実と述べている。また、南東側斜面は岩盤の摂理面が露出しており他の斜面には見られない独特の景観であることを指摘している。
文献学的には、前漢時代の司馬遷の『史記』の「封禅(ほうぜん)書 第六」に周の時代の太陽祭祀に関する次の記述がある。
「冬の日至に天を南郊に祀り、長日に至るを迎う。夏の日至に地祇を祀る」
このことから、冬至には天(天神)を都の南郊で祀り、夏至には地祇を祀っていたことがわかる。なお、「長日に至る」とは、冬至のあと日が長くなってゆくことである。
ここで、封禅とは、中国の帝王がその政治上の成功を天地に報告するため、山東省の泰山で行った国家的祭典である。「封」と「禅」は元来別個の由来をもつ祀りであったと思われるが、山頂での天の祀りを封、山麓での地の祀りを禅と呼び、両者をセットとして封禅の祭典が成立した。(吉川2007)
以上を整理すると、次のようになる。
「封」 山頂(丘) 天神 冬至 田和山
「禅」 山麓(平野) 地祇 夏至 吉野ヶ里
つまり、冬至と夏至の相違は、祭場の置かれた地形にあることがわかる。吉野ヶ里の祭場(北内郭)は平野にあり、田和山の祭場は小高い円丘の上にあることが、夏至と冬至の違いを生んだものと思われる。
田和山は宍道湖の南にあり、湖岸の集落からみて南郊に相当する。我が国においても、河内国交野(かたの)で、桓武天皇と文徳(もんとく)天皇が天神の祀り、即ち冬至の太陽祭祀を行った記録がある。(下注参照)
このことは、前述の太陽祭祀が弥生時代から平安初期まで継続していたことを示すものである。
(注)『続日本紀』延暦4年(785年)11月壬寅条、延暦6年(787年)11月甲寅条
『文徳実録』斉衡(さいこう)3年(856年)11月辛酉条
[鏡の祭具]
ここで、土器絵画(図1c)を鏡を取り付けた祭具と考えるに至った発想の根拠を示そう。
<土器絵画(図1c)の特徴の推定>
@紡錘状の物体は、上下左右対称である。
A二つの紡錘状の物体は、同じ形状で左右対称の位置にある。
B樹木状の物体は直線的に描かれており、樹木のような天然のものでなく、人工物である。
![]() |
これに、使用される鏡は弥生前期末に楽浪郡より渡来した多鈕細文鏡と推定する。 <多鈕細文鏡が用いられたとする推定理由> @弥生前期末に適合する鏡である。 Aこの鏡は、我が国では最も古い部類の鏡で、新しい鏡に比べ呪術的要素の強いものと言われている。 Bこの鏡は凹面鏡(図5参照)で、太陽光線を集めて反射させることができるので、太陽祭祀に用いられたとする説がある。(千田1996) C鏡の放射線文やジグザク文様(図5参照)は、太陽の象徴ともいわれ、太陽祭祀にマッチしたデザインである。また、文様は、日の光を受けて消えたり現れたりもする。 D多鈕式の鏡は、鏡の中心に鈕があるものに比べて祭具等に固定するのに適している。 さらに、多鈕細文鏡の中で、型式:D式(朝鮮大同郡反川里)(宮里2008)を選定した理由は、以下の通りである。 @弥生前期末に適合する鏡で、同じ型式が北九州の福岡市吉武高木三号木棺墓から出土していること。(宮里2008) 吉武高木遺跡は吉野ヶ里遺跡にも比較的近い。 A鏡に多数の同心円があり、且つ内区区画が十字文であることが、土器絵画(図1b)の太陽に類似していること。 |
| 図5 多鈕細文鏡(宮里2008) 多鈕細文鏡 型式:D式 鏡面は凹面 1926年? 朝鮮平安南道大同郡大宝面反川里の桑畑より出土(高橋1924) 内区区画 十字文 外形 134mm 推定計算重量 350g |
|
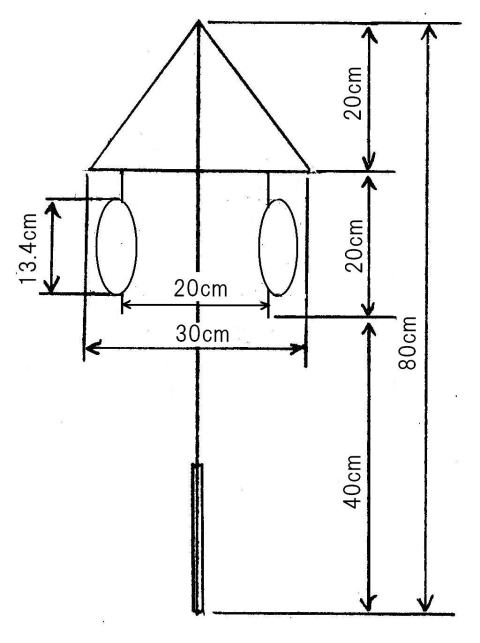
図6に、鏡をセットした祭具の想像図を示す。
祭具は、φ13mmの丸棒にφ4mmの穴を明け、φ3mmの紐をこの穴と鏡の二つの鈕穴に通して、鏡を冬至の日の出の方向に固定した。正面(南)から見た左半分(西)は、右側(東)と対称で、鏡は冬至の日の入りに向けられる。正面から見た二つの鏡は、長径(上下方向)134mm、短径(東西方向)67mmの楕円となる。
図において、判明したことは次のとおりである。
@正面方向から鏡を見たとき、鏡は長径(垂直方向)134mm、短径(水平方向)67mmの一対二の楕円となる。
A径13mm棒のセンターは、鏡の中心軸より、鏡の短径67mm約六分の一(約11mm)内側による。

図6 丸棒に細文鏡をセットした祭具の想像図(右半分上面図 左右対称)
![]() |
図7は土器絵画(図1c)と、正面から見た二つの鏡を比較したものである。 比較にあたっては、正確を期すため(佐々木1981)の線刻画拓本を原図とした。 <比較図に関するコメント> @最も線刻しやすいものは直線なので、楕円を彫る場合、技能が未熟であれば直線的要素がどうしても強くなり楕円の上端と下端はレンズ形状になりやすい。 A右と比較すると左の鏡の方が、的確に描かれている。 B鏡の下の棒状のものは、鏡に垂れた房と すればふさわしいであろう。 C樹木状の構造物は、扶桑樹をモチーフにした青銅製の鏡を取り付けるための祭具とすればふさわしいであろう。 |
| 図7 土器絵画(図1c)の拓本と二つの鏡(点線表示)の比較図 |
![]() |
![]() |
図8 鏡を取り付けた祭具のイメージ 青銅製 重量4kg |
図9 鏡を取り付けた祭具の模型の写真 青銅製 重量4kg |
以上のような構想をもとに作成したのが図8の鏡を取り付けた祭具のイメージ図である。
青銅製で重量は4kg、高さは80cm、幅は30cmで、持ち運び可能なものである。
図9は、図8をもとに製作した祭具の模型の写真である。図9を注意深く見ると、遠近法により鏡の前半部(内側部分)が大きく、後半部(外側部分)が小さくなっていることがわかる。このため、視覚的には鏡は正確な楕円でないが、この効果は鏡との距離が離れるに従い減少する。
(注)鏡の祭具の支柱からの距離Lにおいて、
二つの鏡の中心間の距離の1/2をa 、鏡の半径をbとする時、
祭具の正面から見た鏡の前半部を基準とする後半部の 大きさ(楕円の短径方向の長さ比)Rは次式で表される。
R= ( L−a・tan30°−b ・sin60°)/( L−a・tan30°+b・sin60°) 但しL>a・tan30°+(a/
tan30°) a>b ・sin30°
ここで、a=200mm/2 = 100mm b=134mm/2 = 67mmとすると(図8参照)、
L=0.231m(最小値)の時R =0.498 L=1mの時R=0.884 L=2mの時R=0.942
L=3mの時R=0.971 L→∞の時R→1となる。
ところで、鏡の祭具は何をあらわしたものであろうか。
私は、これを「扶桑樹(ふそうじゅ)」と見なしたい。
古代中国の奇書『山海経(せんがいきょう)』には、多数の太陽と扶桑樹に関する次のような神話がある。(多日神話)
太古、太陽が10個の時代があった。複数の太陽は、太陽の桑の樹、つまり扶桑にとまっていて、10個が代わる代わる現れた。実際は9個の太陽が木の下の方の枝にとまり、一つは上の枝にとまる・・・」(イヴ・ボンヌフォワ2001)
中国から見て、扶桑は東の果て、若木(じゃくぼく)は西の果てにある巨木とされる。
このため、扶桑は日本国の異名ともなっている。
日の出の時、太陽は扶桑を伝わって登り、日の入りは若木を伝わって降りるとされる。
徐朝龍は、四川省の三星堆(さんせいたい)遺跡から出土した樹木状の「神樹」と呼ばれる巨大な青銅器の研究から、扶桑と若木は同じもので、木としても元々一本であったと指摘している。
(徐1998, p.129) 本論文はこの説を採用する。
(注)三星堆遺跡 紀元前2800〜850年頃(新石器〜夏〜商(殷)〜西周の時代)の古蜀文化遺跡で、1986年に四川省広漢市の三星堆で発見されたのでこの名がある。三星堆遺跡からは、神樹の他、多数の異様な青銅の仮面や巨大な人物像が出土している。青銅器の製作は殷の滅亡後とされる。
神樹 1号から3号まで3本見つかっているが、ここでは最大の1号神樹を指す。
1号神樹は、青銅で作られた高さ3.84mの巨大なもので、9本の枝にはカラスと太陽をかたどった果実が実っている。頂部の10本目の枝は欠落したものとされている。『山海経』の十日神話を形象化したものとして知られ、扶桑樹の源流と言われる。三星堆の初代大王の名は「蚕叢(さんそう)」で蚕が群がる意であり、桑との関係が深い。
いずれにせよ、扶桑樹は太陽が宿る樹であり、太陽信仰の証であることは確かであろう。
扶桑樹の代表事例として、前漢期の馬王堆(まおうたい)一号漢墓出土の帛画(はくが)がある。(図10A)
図10Aの右袖部分の拡大図(図10B)の小さな8個の太陽は、筆者が黒く塗りつぶしたものである。
ここにはカラスが中にいる大きな太陽と、木の枝にぶら下がった8個の小さな太陽がある。
太陽が10個から9個になっているのは三星堆から前漢にかけての変容であろう。
私は、大きな太陽を、図10の反対側の左袖に描かれた月との対応関係と「太陽を鳥が運ぶ」という神話から天空にあるものと見る。
小さな8個の太陽は待機中の太陽であり、それらは日の出のグループと日の入りのグループに大別される。
これを簡略化してゆけば、8個の太陽は日の出と日の入りの2個の太陽に集約され、枝も水平となることがわかる。形状の簡略化は祭具製作上の都合と思われる。
![]() |
![]() 鳥を囲む白い大きな円と 黒く塗つぶした小さな円(8個)が太陽を示す |
|
| 図10A 馬王堆一号漢墓出土帛画 (HP「馬王堆漢墓」) |
図10B 馬王堆一号漢墓出土帛画 右袖部分拡大図(徐1998, p.139) |
(注)馬王堆一号漢墓 湖南省長沙市の東郊で、1972年に発掘された1号墓からは50歳ぐらいの前漢前期の女性の屍体が、葬られたままの姿で見出された。棺を覆った帛画(絹織物に描いた絵)は、T字形で縦205cm、上幅92cm。昇仙図を描いたもので、図10の太陽は実物では赤く彩色されている。左袖の部分は、右袖の太陽と対比して三日月とヒキガエルとウサギが描かれている。(曽布川1998)
即ち、鏡の祭具は、扶桑樹に宿る「昇らんとする太陽(日の出)」と「降りた太陽(日の入り)」を鏡でもって表象したものと考えられる。
4.3 やぐら状建物と鏡を取り付けた祭具の安置
![]() |
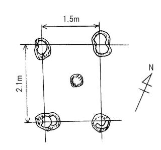
図11にやぐら状建物の柱穴配置図を示す。 奇妙なのは1.5m×2.1mの四本柱で囲まれた長方形の狭いエリアの中央に、なお柱が存在することである。この柱は、やぐら状建物の強度から考えて不必要と思われるので、私はこれを鏡の祭具を安置するための柱と考えたい。即ち、やぐら状建屋内部にて、その柱を切り株の如く切断し、その柱の中心に垂直に穴を明ける。そして、その穴に棒状になった図8の祭具の下部を差し込んで固定するのである。こうすることにより、地上から天にそそりたつ巨大な扶桑樹が完成する。 つまり、祭具は高い樹木の先端部を模擬していることになる。 鏡の祭具は宝物であり、保管には慎重を期したことであろう。土器絵画(図1e)の長大な梯子は、盗難を避けるため普段は集落で管理し、祭具をやぐらから取り出す時のみ用いたのであろう。 それゆえ、やぐら状建物は物見やぐらではなく、神庫と考えたい。 鏡の祭具は冬至の祭りの日に神庫から地上に降ろされ、祭りに参集した人々に開陳される。 それは、一族の開けゆく未来を示すかのように、朝日や夕日に光り輝いたことであろう。 |
| 図11 やぐら状建物(SB-02)の柱穴配置図(HP「松江市田和山史跡公園」) | |
4.4 田和山遺跡(前期末)の環濠と参道
図4において、環濠は、北部、西部、南東部の尾根において途切れている。
従って、環濠は防衛的な目的ではなく、祭場の境界を示すものである。
北部、西部の尾根には参道があったものと推定される。南東部は、祭祀の対象となる冬至の太陽が昇るため参道はない。そして、祭祀的な意味において、鏡の祭具を安置したやぐら状建物を守護するために、三日月形の浅い環濠が形式的に存在している。
この三日月形の遺構は山頂の南東端を段状に削り出した加工面で、平面形は三日月形を呈し、長さ17m、最大幅2.4mを測る。全体としては段にみえるが、注意深く観察すると、とくに残りのよい東半部では浅い溝状になっていることが知られる。造作当時はもっと明確に溝状を呈していた可能性が高いとある。(HP「田和山遺跡鑑定書」)
冬至の日の出の太陽を拝する場合、山は太陽に向かって西側から登るのが自然である。山の頂上に達した時、正面に太陽が登るからである。
弥生中期後半の田和山遺跡(図15)を見ると、北側に集落があり、西側斜面に祭祀施設と見られる二間×六間の大形掘立建物跡がある。(HP「松江市田和山史跡公園」)
現在、奥行き約10m、幅・高さ約4mの山陰最大級の掘立柱建物として復元されている。
この大形掘立建物は頂上の聖地に登拝する前に、禊を行うところであろう。
これらから、弥生前期末を想像すると、人々が西の参道を登り頂上で朝日を拝した後、北の参道を下り集落の帰ってゆく様が思い浮かぶ。
5 田和山の山岳祭祀
5.1 弥生の山岳祭祀の事例 吉野ヶ里環濠集落遺跡
高島忠平は、吉野ヶ里遺跡の集落と山の関係について次のようにのべている。(高島2007)
「吉野ヶ里遺跡の首長の墓域である北墳丘墓と南の祭壇とは約800m離れていて、ほぼ南北の線上に並び、さらに南約70kmの延長線上には長崎県の雲仙普賢岳が位置する。つまりこの時代の「国」の拠点集落を築くにあたっては、広大な空間認識があったことが判る。柚比本村(ゆびほんむら)遺跡(下注参照)にも、阿蘇山を見通した墳墓と祭祀遺構の配置例がある。
中国で前漢前期から徐々に整えられつつあった四神(青龍、朱雀、白虎、玄武)による空間認識と信仰が、北部九州の「国」の拠点集落形成に影響を与えていたのではないかと考えている。弥生人は、火の山を朱雀(下注参照)と見立てていたのかもしれない。その後に見られる漢文化への傾倒はこのことを示している。」
(注)柚比本村遺跡 吉野ヶ里遺跡から約14km離れた鳥栖市柚比町に所在。縄文時代晩期から中世にいたる長い期間の遺跡であるが、その中心は弥生時代中期である。掘立柱建物12棟以上、甕棺墓45基のほか、赤色塗彩土器が出土した祭祀遺構も多数検出されている。特に、墳墓と大形掘立柱建物及び祭祀遺構が一体となって、祭祀空間を形成している点は注目される。遺跡から見て、阿蘇山は南東方向約80kmにある。
朱雀(しゅじゃく) 四神の一つである朱雀は太陽鳥とも言われる南方の神であり、五行説によって火、赤色と関連付けられている。
図2の先に、雲仙普賢岳があったわけである。調べてみると、北内郭中軸線と遺跡中軸線の交差するところにある主祭殿と呼ばれる大型建物は、雲仙普賢岳に向かって建てられていることがわかった。
現在「吉野ヶ里歴史公園」として復元展示されている北内郭の中に、主祭殿と呼ばれる建物があり、写真(図12)と共に次のように紹介されている。(HP「吉野ヶ里歴史公園」)
「主祭殿は、吉野ヶ里のクニ全体の重要な事柄を決める会議を行ったり、祖先の霊への祈りや祀りを行ったりした、中心的な建物と考えられている」
主祭殿(北内郭の大型高床建物)の実測図(七田,小田1994,p74)より、柱穴群の方位を求めたものが図13である。柱穴の方位は良くそろっており、南を基準にして西に8〜9度(平均8.5度)であった。図14において、8〜9度は図13の吉野ヶ里遺跡主祭殿の柱穴の方位であり、主祭殿は雲仙普賢岳に向けて建てられているといってもよいであろう。また図中の6度の線は、図2の北墳丘墓・北内郭・南墳丘墓を貫く遺跡・中軸線を延長したもので、やはり雲仙普賢岳を指していることがわかる。
尚、雲仙岳は、古くは高来峰(たかくみね)と呼ばれ、『肥前風土記』に山の神 高津来座(たかくつくら)の伝承が残されている。高津来座は、吉野ヶ里の人々の祖神とも想像される。
実は、吉野ヶ里遺跡の主祭殿から雲仙普賢岳の距離は63kmもあり、よほど大気の澄み切った日でないと山の頂は霞んで見えない。
山を祭祀の対象とすることは、我が国でも太古からあり、大場磐雄はこれを浅間型と神奈備型に分類している。浅間型は富士山や赤城山の如く高山や火山の類で遠方からこれを遥拝し、その神霊を畏怖崇敬するものである。尚、浅間は富士山の古名である。神奈備型は、三輪山のように平野に臨む小山で、集落とも接近し、親愛の情を籠めてその恩恵に対して祭るものであるとしている。(大場1981)両者は、富士山は遠くに、三輪山は近くに、その姿が望めることで共通している。
しかし、雲仙普賢岳は遠く離れた常はほとんど「見えない山」である。このような山岳祭祀は大陸の影響を大きく受けていることから、渡来型の山岳祭祀とでも呼ぶべきものであろう。
これは、弥生集落の発展に伴うテリトリー認識の増大に対応した祭祀空間の拡大ととらえることができるだろう。
![]() |
![]() |
|
| 図12 復元された主祭殿 (HP「吉野ヶ里歴史公園」) |
図13 主祭殿(北内郭の大型高床建物)の柱穴遺構(七田,小田1994,p74) |
![]() |
<吉野ヶ里遺跡主祭殿と雲仙普賢岳の方位の検討> 吉野ヶ里遺跡主祭殿 北緯33度19分33秒 東経130度23分11秒 雲仙普賢岳(三角点) 北緯32度45分36秒 東経130度17分32秒 これから得られた方位は南を基準にして西に7.8度振れており、吉野ヶ里遺跡と雲仙普賢岳の距離は63kmであった。(図14) |
| 図14 吉野ヶ里遺跡からへの方位線(Google Map) |
5.2 土器絵画の山岳祭祀<天の土舟・遥拝所・鹿>
吉野ヶ里遺跡の主祭殿と雲仙岳の関係を、田和山山頂の高床式建物に適用して山岳祭祀の対象となる山を探したところ田和山の南に伝承の山「船通山(せんつうざん)」を見出すことができた。以下、その手順を説明する。
最初に、田和山山頂に高床式建物が建てられたとする弥生中期後半の田和山遺跡地図を図15に示す。

図15 弥生時代中期後半頃の田和山遺跡(HP「松江市田和山史跡公園」)
山頂部(標高46m)に田の字の9本の柱穴が、その東に6本の列柱がならぶ。
南部には、弥生前期末に建てられたやぐら状建物(神庫)がある。
![]() |
さて、祭祀施設(高床式建物)が、どの山に向いているかを確認するには柱穴の方向を調べればよい。特に、田和山の山頂にはこの建物しかないことから、方向に対する自由度が極めて大きいことに留意すべきである。 図16の高床式建物の柱穴配置についてホームページ「田和山遺跡鑑定書」から、要点を記載する。 二間×二間総柱で9本柱という考え方のある掘立柱建物SB-01は、弥生時代中期中葉〜後葉の段階に属する可能性が高い。柱穴9本のうち北西寄りの3本と中心柱穴の4本は、底面レベルがプラスマイナス5cm以内に揃っており、同時に一つの構造物を支えた柱の穴であったことはほぼ確実である。したがって、この4本で一間×一間の建物を構成していた可能性もある。 本遺跡の最高地点に存在することや、北東に付属するとみられる特異な大形の柵状遮蔽施設もしくは柱列の存在から判断して、特別な性格をもった建物であった可能性が高い。 上記の記述によれば、柱穴1、2、4、5は、同時に一つの構造物を支えた柱の穴でありことは確実とある。(図16の黒い枠で囲んだエリア) 従って、南北方向を検討する場合は、柱穴1―2か柱穴4―5のラインのいずれかを選定する必要がある。 東西方向の地面は尾根の形をしており、断面図から柱穴1―2が柱穴4―5に比較して勾配の大きな斜面にあることが判明した。 建物の方角を決める場合は、作業の容易な平坦部を基準とすることが予想されることから、柱穴4―5の方位を図面から測定したところ、南を基準にして東に20度振れていることがわかった。(図16) そしてその方位に伝承の山「船通山」があることがわかった。 尚、柱穴4−5は南を基準にして東に24.5度振れており、その方向に意味のある山はみあたらなかった。 |
| 図16 高床式建物(SB-01)の柱穴配置(HP「松江市田和山史跡公園」) 方位線と柱穴番号は筆者が記載 | |
![]() |
<田和山遺跡高床式建物と船通山の方位の検討> 田和山遺跡高床式建物 北緯35度26分18秒 東経133度 3分16秒 船通山(三角点) 北緯35度 9分21秒 東経133度10分43秒 これから得られた方位は南を基準にして東に20度振れており、 田和山(標高46m)と船通山(鳥髪山 標高1143m)の 距離は33kmであった。(図17) |
| 図17 田和山遺跡から船通山への方位線(Google Map) |
船通山は、前の山の背後に隠れて田和山からは「見えない山」であり、また南にある山であることから吉野ヶ里遺跡との共通性が見られる。「国」の萌芽的意識に基づく伊勢神宮の遥拝所にも類似した広範な祭祀空間が展開していたものと想像される。船通山も雲仙普賢岳のように鳥(朱雀:南方)の山として意識されていたのかもしれない。朱雀と南方の結びつきは、五行説が赤を南方の色と定めたことに由来し、四神の信仰は中国の戦国時代に成立したとされる。しかし、その古層は、三星堆遺跡の神樹に見られるように、鳥が太陽を運ぶと信じられていた頃にさかのぼるのではないだろうか。即ち、太陽の運行は南方がその中心的方位となるからである。
従って、太陽祭祀と山岳祭祀はまったく別のものではない。古代における鳥と霊魂の密接な関係を思えば、「鳥の山」の山岳祭祀は鳥を媒介として太陽祭祀から生まれたとも言える。
田和山の山岳祭祀は、祖先の神が出現した伝説の山に対する祖霊信仰と推定される。
それは、太陽祭祀に祖霊信仰を加えることにより、支配者の神聖性と正統性の強化を目指したものであろう。
尚、田和山の墓域として、田和山の北北東250mの位置にある友田遺跡が挙げられる。
友田遺跡(下注参照)は、現在は土地開発のため消滅しているが、弥生中期中葉〜後期の墳墓群で、田和山に近いことから、田和山の人々を埋葬した可能性があるとの指摘がある。(HP「田和山遺跡鑑定書」)
(注)友田遺跡 弥生中期の墳丘墓6基と土擴墓26基。墳丘墓群と土擴墓群は区別しているが、土擴墓群の直上には後期に四隅突出になると思われる貼石方形墓が築造されている。これらの墳墓群は宍道湖南東岸の農耕社会における階層分化、政治的支配層の成長を知る上で重要と思われる。遺跡は松江市浜乃木町友田にあったが、開発事業により消滅。
5.3 船通山とスサノオにまつわる神話・伝承
船通山には『古事記』や『出雲国風土記』にまつわる多くの伝承が残されている。
船通山は、鳥取県日南町と島根県横田町との県境にまたがる標高1143mの山。中国山地の主峰の一つで、古代以来伯耆・出雲の国境をなす。鳥髪山(とりかみやま)、鳥上山とも記され、「とかみやま」とも訓ずる。(徳永1992)
『古事記』天照大神とスサノオ(須佐之男命)段によると、追放されたスサノオは「出雲国の肥の河上、名は鳥髪といふ地」に下っており、鳥髪の地は現在の島根県東部を流れる斐伊(ひい)川上流の船通山のこととされる。
『出雲国風土記』には「鳥上山」と記され、出雲国仁多郡家(にたのぐうけ)の南東35里に位置したとある。スサノオはヤマタノオロチ(八俣大蛇)退治で知られるが、その折に尻尾から取出された草那芸の大刀が出現した山ともいわれる。
『伯耆志』はいつ頃から船通山の名が生じたかを不詳とするが、『出雲風土記抄』にはスサノオが新羅から土船で東征した折、その土船を山頂に置いたことに由来するとある。他には、船は仙に通じるなどの諸説がある。
『日本書紀』のヤマタノオロチ退治が述べられている巻第一第八段の一書第四において、天を追放されたスサノオとその子イタケル(下注参照)は新羅の曽尸茂梨(そしもり)に天降ったが、スサノオが「この地吾欲さず」と言ったので、一緒に埴船(土でつくった船)で渡って出雲斐伊の川上の鳥上峯に至ったとある。
(注)イタケル(五十猛神)は、日本神話に登場する神。「イソタケル」とも読まれる。
『日本書紀』巻第一第八段一書第五に登場するが、『古事記』に登場するオオヤビコ(大屋毘古神)と同一神とされる。スサノオの子で、オオヤツヒメ(大屋津姫神)・ツマツヒメ(?津姫神)は妹。
『韓神新羅(からかみしらぎ)神社の社伝』によると、「イタケル・オオヤツヒメ・ツマツヒメの三神は父神・スサノオ神と一緒に新羅の国に天隆り、そこから埴船に乗り日本へ帰国するとき、磯竹村の内大浦の灘なる神島に上陸し、スサノオ神はこの大浦港に御社を建てたとある。これを継いだかたちで五十猛(いそたけ)神社では、御子イタケル・オオヤツヒメ・ツマツヒメ三柱の神は磯竹村の内なる今の宮山に御社を建て鎮り給い、それより五十猛村と言う」とある。
韓神新羅神社は、島根県太田市五十猛町大浦にある。
ここで、土器絵画(図1f)の神話的な解釈を行えば、船は新羅から船通山に飛来した土船であり、乗っている四人の人物は、先頭がスサノオ、次がスサノオの子供達であるイタケル・オオヤツヒメ・ツマツヒメとなろう。四人の頭部の鳥の羽根は、鳥髪で、天の土舟を強調したものである。図1fの先頭の人物がとりわけ丹念に描かれているのも当然であろう。
(注)春成は、舟の先頭に描かれている人物について、特に入念に描かれていること、次の人物との間隔が開いていることなどから、鳥人の中でも特別な人物の可能性があると指摘している。(設楽2006 p200)
土器絵画(図1d)は、祖霊の天下った船通山の遥拝所となろう。そして、最後の土器絵画(図1a)の鹿は、祖霊への託宣や神託を鹿の肩甲骨を使用した卜骨によって読み取ることを象徴したものであろう。新羅は356〜935年の国であり弥生時代の少し後になるが、これは後世の神話的表現で、出雲の国引き神話と同じく古代朝鮮を指すと考えて良いであろう。
以上の神話から、田和山の人々は朝鮮半島から渡来してきた人々であることが推測される。
彼等は、最初は朝鮮から持参してきた鏡によって太陽祭祀を行い、祖先の神話の成立の後、祖霊信仰にもとづく山岳祭祀を行ったものと想像できる。
6 田和山遺跡の柱穴配置について
6.1 山頂の6本の直線状柱穴
ここで、田和山山頂の拝殿の横の直線状柱穴が何であるかを説明する必要があるだろう。
これは調査・研究が十分でないが、予想される話として、東方に対するデモストレーションを挙げたい。先の神話から、田和山の人々は西から移動してきた渡来人とすると、東方はこれから進出してゆくところである。
そこで、自らの存在を誇示するため、東方の現地人に対し、6本の杭に祭祀的な意味をもつ旗をくくりつけたのではないだろうか。
弥生時代の朝鮮には、多くの旗(ヤハタ)を立ててご神体とする習わしがあった。
ヤハタの語源は、カミの寄りつく「依代」(ヨリシロ)としての「多くの旗(ハタ:布きれ、ヒレ)」の意味であり、このハタに神が降りてきて、パタパタとたなびく様子から託宣を告げた古代朝鮮のシャーマンの儀式からきているとする説が有力である。ヤハタの神は、シャーマンを通じてメッセージを告げる託宣神の特徴を持っているのである。
尚、ヤハタ信仰は、八幡信仰の源流とされている。(HP「八幡信仰の源流」)
妻木晩田(むきばんだ)遺跡は、弥生時代中期末(1世紀前半)〜古墳時代前期(3世紀前半)であり、田和山遺跡(弥生時代前期末〜中期後半)と連続していることから、田和山の人々は、後に淀江の妻木晩田に進出した可能性も考えられる。
こう考えれば、妻木晩田遺跡の近くには稲吉角田遺跡があり、田和山の祭祀を描いた土器が稲吉角田遺跡にあるもの自然ではないだろうか。
6.2 やぐら状建物と高床式建物の柱穴配置
![]() |
田和山山頂の9本柱高床式建物跡において、出雲大社の大社造りの原型ではないかという見解がある。これに対しては、大社造りの心御柱(しんのみはしら)に対応する、中央柱の祭祀性の確認が必要であろう。 これに関して先に掲載した「田和山遺跡鑑定書」の記述は示唆に富んでいる。 即ち、9本柱高床式建物が4本柱建物の増築の結果生まれたものとすれば、9本柱高床式建物の中央の柱に祭祀性がないことがわかる。 中央の柱に祭祀性があるのは、むしろ神庫とした5本柱のやぐら状建物であろう。 やぐら状建物は、異常に高い神殿を持つ古代出雲神殿(図18)の姿にも類似している。 |
| 図18 古代出雲神殿(HP「出雲の弥生文化」) |
5本柱のやぐら状建物を、その形状を保ったまま拡大し、強度補強のため明いたところに4本に柱を追加すれば9本柱となる。(図19)
大国主が出雲の岬で見た「海を光して依り来る神」とは、太陽のことではないだろうか。

5柱配置 9柱配置
図19 5柱配置から9柱配置への拡大(中央が心御柱) 黒色4本が追加の柱
従って、弥生前期末の田和山から広がった可能性のある出雲市下古志町の正蓮寺(しょうれんじ)周辺遺跡の5本柱建物跡は注目に値する。
1977年10月17日付けの新聞「山陰中央新報」は、5本柱建物跡に関して、写真とともに要旨次のように報じている。(図20)

図20 正蓮寺周辺遺跡の掘立柱建物跡
弥生中・後期の環濠集落跡の発掘が進む正蓮寺周辺遺跡で、同時期の望楼(物見やぐら)か、神殿の可能性がある建物跡が出土した。建物の構造から古代の出雲大社の原型を想定する研究者もあり、貴重な資料として注目される。同遺跡は、出雲平野を流れる神戸(かんど)川の南側の出雲市下古志(しもごし)町に所在する。
見つかった建物跡は、正方形の掘立柱の建物跡で、さいころの5の目のように5本の柱を配置。建物の四隅を支える4つの柱穴はそれぞれ縦、横約1mで四角く、深さは0.5〜0.8m、柱の間隔は約2m。さらに中心部には縦1.1m×横1.2m深さ0.9mの柱穴があった。
出土した土器から、弥生中期後半から後期前半のものとみられる。
調査指導に当たった田中義昭・島根大教授(考古学)は「同遺跡の他の建物跡と比べても、柱穴の規模がひときわ大きく深いことから、背の高い特殊な建物であることは確か。床が2m四方と狭いことから、やぐらのような建物ではないか」と推測。さらに、中心部の穴の存在から「心の御柱」を持つ古代の出雲大社のような、高さを求めた神殿だった可能性を指摘している。
(注)正蓮寺周辺遺跡 出雲平野に海水が湾のように入り込んだ神門水海(かんどのみずうみ)沿いにあった環濠集落群の一つで、二重の環濠跡などから直径300mほどの一大集落だったと推定されている。
7 稲吉角田遺跡と妻木晩田遺跡
妻木晩田遺跡は、弥生中期末〜古墳時代前期であり、田和山遺跡(弥生前期末〜中期後半)と連続していることから、田和山の人々は、宍道湖湖岸から日本海に面した港を求めて淀江の妻木晩田に進出した可能性も考えられる。
山陰地方における弥生時代の9本柱掘立柱建物跡の類例としては、田和山遺跡以外に、陰田第六遺跡(米子市)、妻木晩田遺跡(淀江町・大山町)、百塚遺跡群(淀江町)、下山通南遺跡(溝口町)、柄杓目遺跡(鹿野町)が知られている。下山通南遺跡は淀江町の南、柄杓目遺跡は鳥取市に近い。特に、妻木晩田遺跡には、13棟もの9本柱掘立柱建物跡が報告されている。(中尾2001)
中でも、特に注目すべきは洞ノ原SB11の9本柱掘立柱建物跡(淀江町2000)であろう。
洞ノ原地区は、住居や建物がきわめて希薄な山頂を巨大な環濠で囲んでいることから聖地ではないかと想像され、田和山遺跡との類似が指摘されている。(高田2006,佐古2003)
南東の方向には巨大なイワクラ(磐座)がある孝霊山(徳永1992)と『出雲国風土記』に火神岳と称された大山が一直線に並ぶ。雲仙普賢岳・阿蘇山・大山はいずれも南方に聳える火の山・鳥の山であり、妻木晩田から14km離れた大山を取り込んだ巨大な祭祀空間の本拠があった可能性は高い。
妻木晩田遺跡の近くには稲吉角田遺跡があることから、田和山の祭祀を描いた土器が稲吉角田遺跡にあるもの不自然ではないだろう。
8 まとめ <稲吉角田遺跡出土弥生絵画の新解釈>
米子市の稲吉角田遺跡の土器絵画は、松江市の田和山遺跡における太陽祭祀と山岳祭祀を描いたものである。
太陽祭祀は、太陽と神庫と鏡の祭具の三個の絵によって表現されている。
鏡の祭具は、二枚の鏡をそれぞれ冬至の日の出・日の入りに向けたものをセットしたものであり、太陽が宿る前漢期の扶桑樹をモチーフにして作られたものと推定される。この鏡の祭具は、田和山遺跡の山頂の5本柱のやぐら状建物に納められていたと考えられる。従って、やぐら状建物は祭具を納めた神庫と見なされる。また、祭祀は、古代中国の冬至祭天に類似したものと考えられる。
山岳祭祀は、天の土舟と遥拝所と鹿の三個の絵によって表現されている。
遥拝所は、田和山遺跡の山頂の9本柱の高床式建物である。この建物はスサノオが天の土舟で降臨したとする神話をもつ船通山に向けられている。祖霊の天下った船通山は、古事記にある鳥髪の地で、田和山遺跡から23km南に離れた斐伊川源流の中国山地にある。船通山は、田和山の南方にあり、鳥の山としてふさわしい。
出雲の神話・伝承から、天の土舟に乗っている四人の人物は、スサノオとその子供達であるイタケル・オオヤツヒメ・ツマツヒメであり、朝鮮半島からの渡来人と推定される。乗員の頭部の鳥の羽根は、鳥髪で、天の土舟を強調したものである。
遥拝所での祭祀の実質は山を媒介とした祖霊祭祀と考えられ、鹿は卜骨に用いられたものであろう。
太陽祭祀と祖霊祭祀の合体は、支配者の神聖性と正統性の強化を目指したものである。
引用・参考文献(五十音順)
イヴ・ボンヌフォワ2001『世界神話大事典』1113頁 大修館書店
大場磐雄 1981『神道考古学講座 第一巻』16頁 雄山閣出版
金関恕(ヒロシ) 2004『弥生の習俗と宗教』31−41頁 学生社
佐古和枝 1999「鳥取県妻木晩田遺跡」『邪馬台国時代の国々』23頁 雄山閣出版
佐古和枝2003「妻木晩田遺跡の理解のための基礎作業」『考古学に学ぶ(U)』99〜100頁 同志社大学考古学シリーズ刊行会
佐々木謙 1981「鳥取県淀江町出土弥生式土器の原始絵画」『考古学雑誌』第67巻第1号 95−99頁
佐原真、春成秀爾(ヒデジ)1997『歴史発掘D 原始絵画』81,102頁 講談社
設楽博己(シタラ ヒロミ) 2006『原始絵画の研究 論考編』199−200,206頁 六一書房
七田忠昭(シチダ タダアキ)、小田富士雄 1944『日本の古代遺跡を掘る 吉野ヶ里遺跡』74頁 読売新聞社
徐朝龍(ジョ チョウリュウ) 1998『三星堆・中国古代文明の謎』116−163頁 大修館書店
千田稔1996『風景の考古学』p97〜102頁 地人書房
曽布川寛(ヒロシ)、谷豊信 1998『世界美術大全集 東洋編 第2巻』108,137頁 小学館
高島忠平 2007「古代都市〜吉野ヶ里遺跡に見る弥生都市」『Consultant』 Vol.273 12−15頁建設コンサルタンツ協会
高田健一 2006『妻木晩田遺跡 甦る山陰弥生集落の大景観』37−42頁 同成社
高橋健自1929「新発見の細線鋸歯文鏡に就いて」『考古学雑誌』第19巻 第3号38−47頁
徳永職男 1992『鳥取県の地名 日本歴史地名体系 32』592,825頁 平凡社
中尾斉 2001「妻木晩田遺跡における掘立柱建物跡について(1)」『妻木晩田遺跡発掘調査研究年報2001』
宮里修 2008「多鈕細文鏡の型式分類と編年」『考古学雑誌』第92巻 第1号 1−32頁
大和岩雄 1998『神々の考古学』219−250頁 大和書房
吉川忠夫2007『世界大百科事典26』143頁 平凡社淀江町教育文化事業団 2000
『妻木晩田遺跡 洞ノ原地区・晩田山古墳群発掘調査報告書 本文編』100,101頁
HP:ホームページ(五十音順)
「出雲の弥生文化の源流を訪ねる」http://murata35.cool.ne.jp/katudohokoku/izumo01/izumo01/
「船通山山頂から眺める周囲に広がる展望」https://www.youtube.com/watch?v=oh4bkOZabzA
「船通山宣揚祭」https://www.youtube.com/watch?v=8JLmr50sZCs
「田和山遺跡鑑定書(松本武彦)」http://www.careguid.co.jp/tawa-iseki/kantei.htm
「八幡信仰の源流」http://homepage3.nifty.com/yahoyorodu/hatiman.htm
「風葬と稲吉角田遺跡出土土器」http://www.enjoy.ne.jp/~hisasi/index98-1.html
「馬王堆漢墓」http://tikurikn.hp.infoseek.co.jp/maoutai.html
「松江市ホームページ 田和山史跡公園」http://www.city.matsue.shimane.jp/jumin/bunka/bunka/bunkazai/tawayama/
「吉野ヶ里歴史公園」http://www.yoshinogari.jp/contents3/?categoryId=10
(C20090111)